熱門關鍵詞: 濾筒除塵器廠家 濕式除塵器 脈沖除塵器 1毫克以下排放除塵器

江蘇二環環保是生產濾筒除塵器、沉流式濾筒除塵器、斜插式濾筒除塵器、彈匣式濾筒除塵器、豎裝式濾筒除塵器、卡盤式濾筒除塵器、垂直式濾筒除塵器的源頭廠家。
歐美款式,產品型號豐富,有大風量模塊機與小風量一體機系列。
我們擁有濾筒除塵器生產工廠與濾筒濾芯耗材生產工廠,已為眾多尋求高品質歐美款式除塵器的第三方提供OEM代工服務,并出口海外。好品質的濾筒除塵器將為您的項目錦上添花,獲得更多的市場贊譽。
采用濾筒作為核心過濾單元,利用電磁脈沖閥,啟閉壓縮空氣噴吹清灰作業的除塵器。除塵是物理攔截過程,不同的排放濃度要求,選用不同孔徑大小的濾料。由于濾料折褶成筒狀使用,使濾料布置密度大,所以濾筒除塵器結構緊湊,同等風量下,占地小于布袋除塵器。
400-822-9050
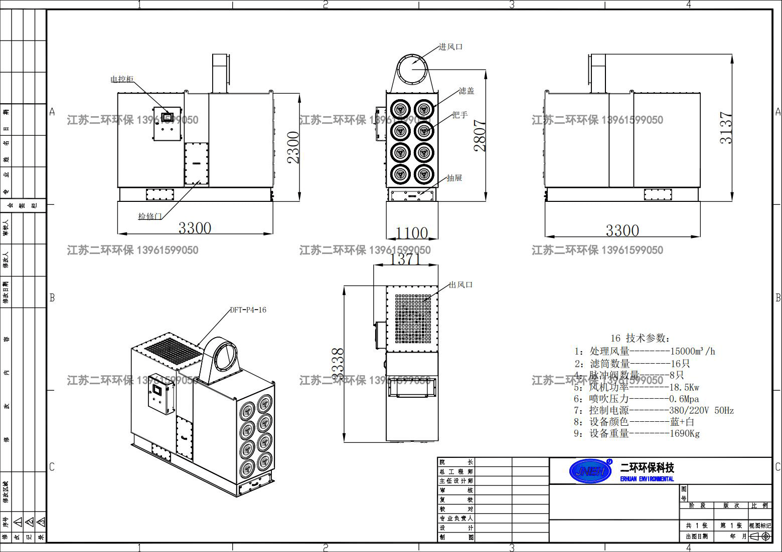
常規型沉流式濾筒除塵器
常規型沉流式濾筒除塵器
防爆型沉流式濾筒除塵器
防爆型沉流式濾筒除塵器
| 序號 | 型號 | 額定風量 | 設備尺寸 | 濾筒數量 | 脈沖閥數量 | 功率 | 重量 |
| M3/H | 長*寬*高(mm) | 只 | 只 | KW | T | ||
| 1 | EHDFT2-4D* | 2500 | 1016*1434*3026 | 4 | 2@DN25 | 待定 | 0.379 |
| 2 | EHDFT2-8 | 5000 | 1016*2162*3248 | 8 | 4@DN25 | 待定 | 0.841 |
| 3 | EHDFT3-6D* | 3750 | 1016*1434*3492 | 6 | 6@DN25 | 待定 | 0.579 |
| 4 | EHDFT3-12 | 7500 | 1016*2162*3675 | 6 | 6@DN25 | 待定 | 0.953 |
| 5 | EHDFT3-18* | 11250 | 1523*2162*3675 | 18 | 9@DN25 | 待定 | 1.710 |
| 6 | EHDFT4-16 |
10000 |
1016*2162*4140 | 16 | 8@DN25 | 待定 | 1.164 |
| 7 | EHDFT4-24* | 15000 | 1523*2162*4140 | 24 | 12@DN25 | 待定 | 1.481 |
以上為常規通用型號,更多5層以上的型號,敬請來電咨詢!
沉流式濾筒除塵器,業內也叫斜插式濾筒除塵器、彈匣式濾筒除塵器。采用濾筒作為核心過濾單元,利用電磁脈沖閥,啟閉壓縮空氣噴吹清灰作業的除塵器。除塵是物理攔截過程,簡單的說,好比一個篩子,顆粒尺寸大于篩孔的粉塵被攔截,顆粒尺寸小于篩孔的則可以穿透,因此篩子孔越細,粉塵的攔截效率越高,不同的排放濃度要求,選用不同孔徑大小的濾料。由于濾料折褶成筒狀使用,使濾料布置密度大,所以濾筒除塵器結構緊湊,同等風量下,占地小于布袋除塵器。
滿足無油、無水、溫度小于120攝氏度以下條件的煙塵,不受行業限制,均可采用濾筒除塵器。
火花捕捉器、泄爆隔爆裝置、清潔氣室通道、定制顏色、腿長、加熱器、出風口防塵罩、消防滅火系統、粉塵在線檢測儀、帶抽屜的垃圾桶、普通槽式料斗、不銹鋼結構、各種進口設計、平臺和梯子、自卸式料斗、螺旋輸送機、集成式HEPA過濾器、智能電控柜等。
1、適用于無油、污水、溫度小于120攝氏度以下的煙氣或粉塵。
2、可以安裝在封閉車間,內排循環空氣,無外排煙塵,防止室內空調熱量損失。
3、近期熱門應用場景:焊煙、激光切割、研磨細粉、膜切割、機器人焊接、打磨、拋光、拋丸、噴砂、噴粉等工序。
4、適用于新能源新材料、汽車制造、船舶制造、金屬加工、橡膠輪胎、煙草提煉、食品加工、精細化工、糧食、制藥、電子、冶煉、紡織等行業。
移動式焊煙一體機系列 PT系列
固定式一體機系列EHI系列
打磨除塵工作臺 DLMT系列
打磨房除塵工作站 DWS系列
大風量模塊機 EHDFT系列
自潔式空氣過濾器 EHAAT系列
1、歐美生產工藝,模塊化生產,積木式拼裝,方便物流運輸拆裝。
2、20多個款式,100多種尺寸,適應各種有限空間工況,選擇余地大。
3、采用工裝夾具焊接、拼裝生產,消除焊接應力,防止變形。
4、每一個獨立的模塊尺寸精準一致,多模塊拼裝采用歐美膠水封裝工藝。
5、設備內外噴塑,手摸汽車漆的觸感,使用壽命長。
6、出廠前整體涂裝完畢,避免安裝現場噴漆,污染業主廠區環境,安裝周期長的麻煩。
主體結構選用優質型材,板厚≧5mm
手把:抗摔電膠木外殼,304不銹鋼滾花紋內芯
濾蓋:厚度≧2mm
濾架:冷拉鋼,鍍白鋅,主桿≧12mm,枝桿≧6mm
文丘里,厚度≧2mm
脈沖閥及閥盒選用澳洲高原
美式生產工藝:工裝夾具展示1
美式生產工藝:工裝夾具展示2
噴塑前質檢試裝1
噴塑后質檢試裝1
噴塑后質檢試裝2
噴塑后質檢試裝3
質檢合格,模塊整體出廠
積木式拼裝1
積木式拼裝2
積木式拼裝3
積木式拼裝4
積木式快速完成安裝
江蘇二環環保26年專注環境污染防治設備的研發與生產。承接設計、制造、安裝、售后交鑰匙工程。主要特色產品為:美制濾筒除塵器、布袋除塵器、濕式除塵器、空氣入口過濾器;以及各類傳統除塵器、煙塵洗滌塔、蓄電池生產設備等。可以提供OEM/ODM服務,同時承接國外除塵器的維修及配件服務。
鐵件工廠(自有產權)
塑件工廠(自有產權)
鐵件車間一角
塑件車間一角
辦公樓大廳
產品展示廳
秘書處:
二環環保是我學會的會員單位,希望貴單位為我們的綠色環保事業多出新品,多作貢獻。
秘書處:
江蘇二環是我協會20多年的老會員單位,希望貴單位再接再厲,為新能源事業努力奮斗。
秘書處:
二環環保是我糧食行業協會的會員單位,希望貴單位為糧食生產加工的環保事業添磚加瓦。
創始人周董、楊董:
二環環保是我們二十多年的供應商,產品性能穩定,已累計采購1.2億元人民幣,希望再接再厲,服務好各子分公司。
章部長:
涂裝噴粉、膩子灰打磨、切焊煙塵等工序的環境問題一直困惑著我們,自從二環改造后,實現了煙塵零排放,改善了工作環境。
陳總:
二環的除塵器我們已經采購了近千萬元,6年多的選用,順利通過環保驗收,設備運行狀態良好,他們的售后服務也好。
南京揚子石化比歐西氣體有限公司 高工:
我公司購買國外的自潔式空氣入口過濾器設備,二環環保為我們提供了維修配件服務,展示了他們的技術實力,后續擴產,我們會選擇他們的成套產品,支持中國制造。
南京長江江宇石化有限公司 丁總
我公司1期、2期的化工廢液燃燒RTO項目,與二環環保點對點直購2套10萬風量高溫布袋除塵器,沒有中間商,性價比高,氧化鈷粉通過除塵器收塵,穩定有效。
中汽研汽車工程研究院有限公司 任工
二環環保為我院實驗室所設計的火燒臺、滅火水槍臺以及環保設備采用了三維動畫設計,過程環節一目了然,設計能力較好,定制生產、交貨速度也快。
武漢法利萊切割系統工程有限公司 鄧總:
我親自去過二環公司的生產基地,考察了他們的生產加工能力,認同他們的經營理念,選擇了他們,為我們華工激光OEM配套除塵器。
武漢維拓光纖激光工程有限公司 杜總
看到同行選用了二環公司的除塵器,我們也就選用他們為我們OEM配套服務,經過批量使用,產品性能穩定,故障率低。
北京泰姆藍環保科技有限公司 龔總
我公司主要承接國企、外企的項目。我多次去過二環公司,他們的技術和制造能力可以媲美國外同類產品,讓他們OEM/ODM配套服務,我放心。